ifm wiring
Literature Library Rockwell Automation. This wiring block is designed to offer a rugged yet simple solution for wire consolidation in applications with a high density of input or output connections.
Connection Technology From Ifm Ifm Electronic Pdf Catalogs Technical Documentation Brochure
Quote and order online today.

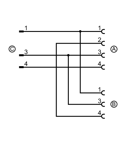
. The file attachments in this document are intended to show field side wiring diagrams pin-outs schematics terminal numbers labeling markings and cable wire color. It also features a mechanical. MISUMI offers FREE CAD download short lead times and competitive pricing.
The module may be installed in a standard utility box relay cabinet or other technique conforming to local code requirements see Figures 1 and 2. Ifm offers a variety of wiring solutions that provide reliable electrical connections for quick disconnect sensors. Use mounting strap to secure IFM.
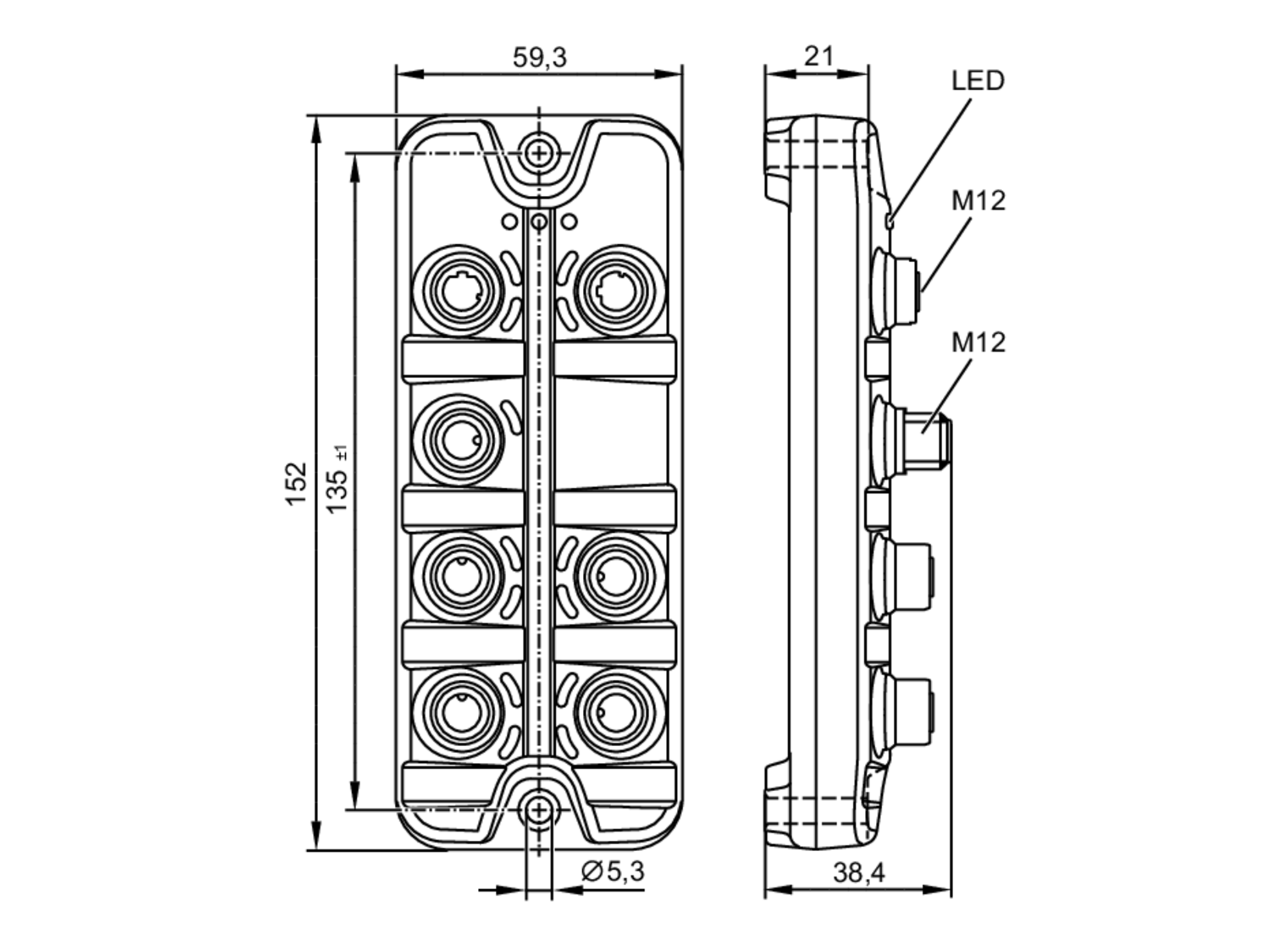
Shop IFM Wiring Components at MISUMI. EBC036 - Wiring block - ifm Products Connection technology Wiring blocks Wiring blocks EBC036 Wiring block EBC036 ZDO8H05HMSS0010H19 Resistant to oils and coolants Permanent. 6 Rockwell Automation Publication 1756-UM058I-EN-P - December 2017 Table of Contents Chapter 6 Install ControlLogix IO Modules Install theModule.
The file attachments in this document are intended to show field side wiring diagrams pin-outs schematics terminal numbers labeling dipswitch configuration. 1492-IFM40F-F120-2 1492 Wiring Systems ModulesDigital Module with Fixed Terminal Block40 PinsFusibleSensor120V ACTwo per IO Connection. Ifm combines application know-how innovative wiring solutions and.
Ebc055 Electrical Equipment Miscellaneous Machine Hub
Ey5054 Y Connection Cable Ifm
Cable Spaghetti Was Yesterday Ifm Presents The Powerful L Code Food Connection Youtube
Basic Setup Ifm
Connection Technology Overview Ifm
Ts2451 Temperature Cable Sensor With Process Connection Ifm
Connection Cables With Open Cable End Ifm
E11952 Abisolierwerkzeug Ifm
Evc059 Ifm Electronic Connection Cable Male Female 5 Pins
Al1350 Io Link Master With Iot Interface Ifm
Ebc070 Wiring Block Ifm
Ta2002 Temperature Transmitter Ifm
Ifm Connection Technology Ifm Electronic Pdf Catalogs Technical Documentation Brochure
Connection Technology Overview Ifm
Ebc036 Wiring Block Ifm
Ifm E 40024 Connecting Cable Jordan Anwar Est
Ebc106 Ifm Electronic Wiring Block Eltra Trade